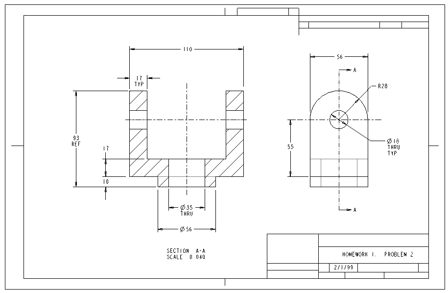
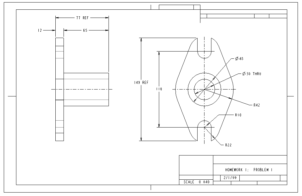
Solutions to Homework #1