Homework Assignment 2
ENME414, Fall 1999, Due: Wednesday, September 15, 1999
- A designer is given three features to create 3 solid models. In the
first model, use Protrusion. In the second model, use Cut. In the third
model, use both Protrusion and Cut. Note that you need to define the
dimensions, such as D, H, A, B, and C when creating the 3 solid models.
Therefore, you need to present all the dimensions, position and size, on
your solid drawings. Present 3 processes, or sequences, to manufacture
the 3 solid models.

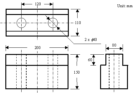
- "How many features are there?" "What are they?" Present a process,
or an operation sequence to manufacture this part.

- Do Example 4-1 on page 78. You need to go through step by step,
following the instructions provided in the textbook. Hand in your 3D
solid model drawing. Indicate the time you need to complete the 3D solid
model. The time has to be less than 20 minutes, indicating the skill you
should have.
- Do Example 4-3 on page 100. You need to go through step by step,
following the instructions provided in the textbook. Hand in your 3D
solid model drawing. Indicate the time you need to complete the 3D solid
model. The time has to be less than 15 minutes, indicating the skill you
should have.