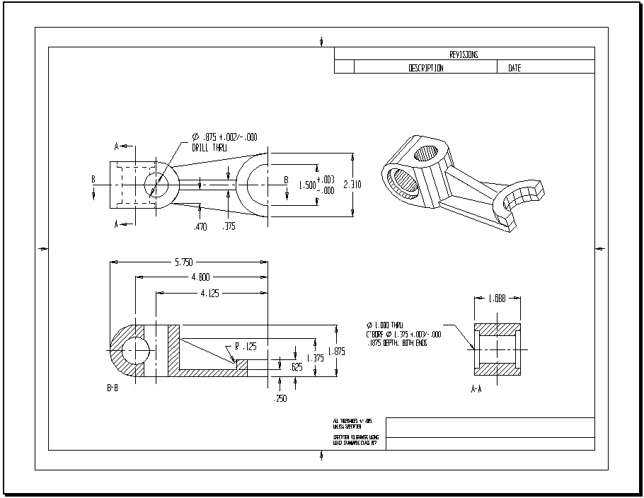
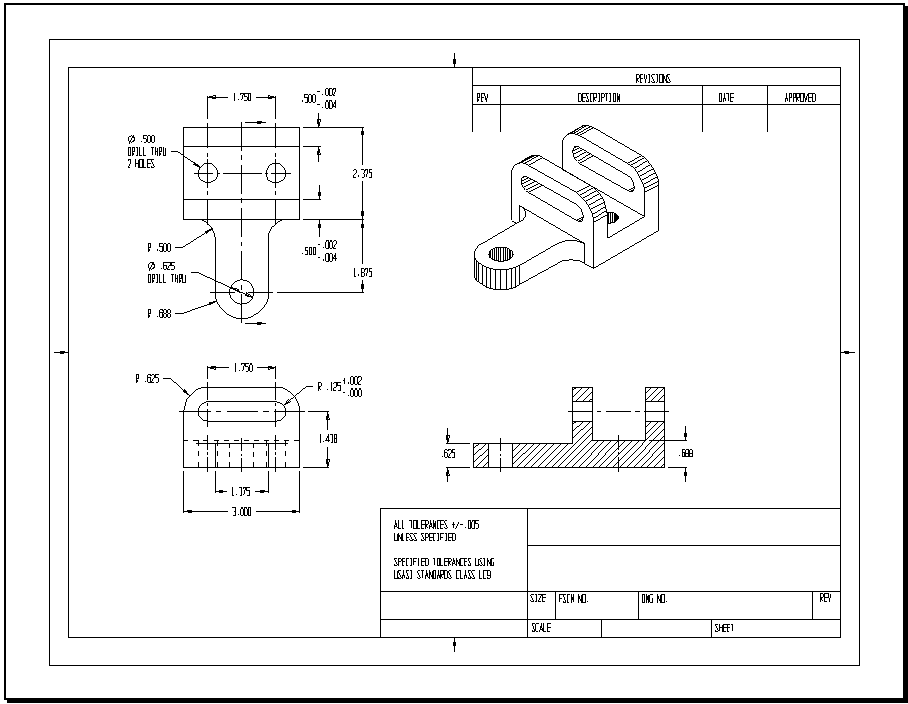
Homework 3 Solutions